三菱PLC和三菱變頻器之間的RS485半雙工串行通訊
三菱PLC和三菱變頻器之間的RS485半雙工串行通訊。
比如用RS指令,自己看指令說明的,發送的數據要跟變頻器手冊上的指令字符一樣,還有通訊參數要對上,比如通訊速率,停止位等參數,變頻器用參數設置,plc這邊用D8120,還需要一個485BD,這就差不多了,最好不要一直發送,像ABB變頻器用M8000一直發送的話會出錯,本例子是三菱plc主機上裝RS-485BD通訊適配器與變頻器的485PU口相連接,通過三菱PLC和三菱變頻器之間的RS485半雙工串行通訊來實現電動機的變頻調速。
三菱PLC和三菱變頻器之間進行通訊,通訊規格必須在變頻器的初始化中設定,如果沒有進行設定或有一個錯誤的設定,數據將不能進行通訊。且每次參數設定后,需復位變頻器。確保參數的設定生效,設定好參數后按如下協議進行數據通訊。
該過程分5個階段:
計算機發出通訊請求;
變頻器處理等待;
變頻器作出應答;
計算機處理等待;
計算機作出應答。
根據不同的通訊要求完成相應的過程,如寫變頻器啟、停控制命令時則只需完成1-3三個過程;監視變頻器運行頻率時則需完成1-5五個過程。不論是寫數據還是讀數據,均有PLC發出請求,變頻器只是被動接受請求并作出應答。每個階段的數據格式均有差別。現只列出較為常用的三種格式:
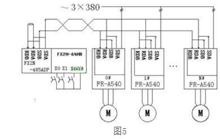
要實現三菱PLC對三菱變頻器的通訊控制,必須對三菱PLC進行編程;通過程序實現PLC對變頻器的各種運行控制和數據的采集。三菱PLC程序首先應完成FX2N-485BD通訊適配器的初始化、控制命令字的組合、代碼轉換和變頻器應答數據的處理工作。PLC通過RS-485通訊控制變頻器可以完成一臺乃至多臺變頻器的啟動、停止、頻率設定。硬件連接如圖5所示。由于每臺變頻器的通訊編程方法基本相似,不同之處就是變頻器的站號設置不同。
就以PLC通過RS-485通訊控制#0變頻器運行程序為例:
變頻器參數設定:
Pr.79=1(操作模式), Pr.1=50(上限頻率),Pr.3=50(基底頻率),Pr.19=380(基底電壓),Pr.77=2(參數寫入禁止;表示即使運行時也可寫入參數),Pr.117=0(變頻器站號),Pr.118=192(通訊速度),Pr.119=0(停止位一位),Pr.120=2(偶校驗)Pr.121=9999(通訊重試次數),Pr.122=9999(通訊檢查時間間隔),Pr.123=9999(等待時間設置),Pr.124=0(無CR,無LF)。
以上程序運行時PLC通過RS-485通訊程序正轉啟動并且變頻運行。其中X0為電動機正轉以額定速度(頻率)運行控制按鈕,X1為電動機變頻調速控制按鈕,實現電動機的頻率調節。
若要對#1站的電動機進行調速控制,只要將H30和H31分別傳送給D11,D12,并將變頻器參數Pr.117設置為1即可.依此類推。對于不同站號的電動機的變頻調速編程方法基本相同。
控制指令如下表所示。
注意所有指令代碼和數據均以ASCII碼(十六進制)發送和接收。十六進制數轉換成ASCI碼時,H0-H9轉換成ASCI碼時加H30,例H3轉換成ASCI碼即H3+H30=H33,而A-F轉換成ASCI碼時加H31。例HA轉換成ASCI碼即HA+H31=H41.依次類推。
使用RS-485通訊控制,僅通過一條通訊電纜連接,就可以完成多臺變頻器的啟動、停止、頻率設定;并且很容易實現多電機之間的同步運行。該系統優點:硬件簡單、可控制32臺變頻器。可以實現無級變速,速度變換平滑,速度控制精確,適應能力好。該系統成本低、信號傳輸距離遠、抗干擾性強。但是也存在一定的不足之處:比如編程工作量較大,響應有延時。且必須在掌握通訊協議及相關的參數的基礎上才能順利完成編程。對于技校初學者來講該方法掌握比較困難。
海藍機電為你提供機器人視覺、上位機軟件、自動化開發、機電設備維修等技術服務。
深圳市海藍機電設備有限公司(m.aoquen.com)專業經營:三菱PLC、三菱伺服電機、三菱變頻器、三菱觸摸屏等工控自動化產品的批發和代理工作。
電話:0755-88356296(10線) 吳經理:13823726967
本文原創自:深圳海藍機電設備有限公司,轉載請注明出處:http://m.aoquen.com/article/841.html.
相關內容
發表評論
| 姓名: | |
| 內容: | |
| 驗證碼: |
|
1.尊重網上道德,遵守中華人民共和國的各項有關法律法規,不發表攻擊性言論。 |




評論信息